概述
XGN15A-12箱型固定式金属封闭高压开关设备(以下简称环网柜)是以六氟化硫负荷开关及负荷开关一熔断器组合电器作为主开关柜整框采用空气绝缘,适用于配电自动化、既紧凑又可扩展的成套配电装置。可广泛应用于城市电网的建设和改造,适用于工矿企业、高层建筑、住宅小区、医院、学校、公园等的配电系统,作为接受和分配电能之用,主要用于环网供电和终端供电,亦适于装入便装式变电站,
产品符合GB3804、GB3906、GB16926、GB/T11022、IEC420等标准。
型号含义

正常使用条件
1.环境温度:
较高温度:+40℃:
较低温度:-15℃:
日常均值:≤35℃:
2.环境湿度:
日平均相对混度:≤95%:
月平均相对湿度:≤90%:
日平均蒸气压:≤2.2×10Mpa
月平均蒸汽压:≤1.8×10Mpa
3.海拔高度:不超过1000m:
4.地震烈度不超过8度:
5.使用场所无滴水、无易燃和爆炸危险、无化学腐蚀性气体以及无剧烈震动。
注:若有特殊要求,请用户和我公司联系!
基本技术参数

结构特点
环网柜采用金属封闭箱式结构,主开关与柜体为固定安装,整个环网柜可分成上下两个部分,柜的上部包括母线室、开关室、低压室,与下部电缆室(出线柜含熔断器)分隔开来以避免相互影响。因此,既提高了安全性,又便于安装、检修,还能在必要时整体更换上部单元。整体外形尺寸(宽×深×高有375×960×1600mm和500×960×1600mm等。(图1)
1.电缆室
环网柜有宽裕的电缆室,主要用于电缆连接,使单芯或三芯电缆可以很方便地进行连接,同时充裕的空间还可以容纳熔断器、避雷器、电流互感器、下接地开关等元件,柜门有观察窗和安全联锁装置。电缆盖板可配密封盖和带支撑架的大小相宜的电缆夹。电缆盖板可以拆下,方便电缆安装。
2.开关室
开关室内可装一个三工位负荷开关,负荷开关的外壳为环氧树脂浇注而成,内充六氟化硫(SF6)气体。壳体上设有观察孔,并可根据客户要求装设SF6气体密度表或带报警触点的气体密度继电器。
3.母线室
母线室布置在柜的上部,三相主母线水平布置,贯穿整排开关柜。
4.低压室
带联锁的低压室同时起到控制盘的作用,低压室内装有带位置指示器的弹簧操动机构和机械联锁装置,也可装设辅助触点、跳闸线圈、紧急跳闸机构、电容式带电显示器、钥匙锁和电动操动装置,同时低压室还可供装设控制回路、计量仪表和保护继电器。
操作与联锁
1.操作
1)手动操作:
用专用操作手柄在环网柜正面操作,在环网柜操作面板上有上下两个操作孔,上面为接地开关操作孔,下面为负荷开关操作孔,操作时,手柄旋转方向应与面板上的示图一致。在组合电器方案中,开关所配的机构具备负荷开关分闸脱扣功能,当负荷开关合闸后,其分闸弹簧已处于储能状态,按动分闸按钮或熔断器熔断时将断触发脱扣机构,使负荷开关分闸。
2)电动操作:
当环网柜配用电动操作机构时,柜体操作面板上设有分闸、合闸两个按钮。接通操作电源后只需按下合闸按钮,即能合上负荷开关并投入运行:按下分闸按钮,负荷开关分闸。当环网柜因操作电源无法正常供电时,开关的动作可用手动操作方式来完成、操作方法如前所述,电动操作时严禁将操作手柄插入操作孔中,否则将无法实现电动操作(有相关的联锁存在)。接地开关只能手动操作,无电动操作方式,
2.联锁
1)负荷开关合闸后,接地开关不能进行合闸操作,下门不能打开:
2)负荷开关分闸后,接地开关才能进行合闸操作,接地开关合闸后,下门才能被开启。
3)接地开关合闸后,负荷开关不能进行合闸操作:
4)接地开关分闸且柜门关闭后,负荷开关可以合闸:
5)在组合电器柜中,当任一相熔断器熔断后,其撞击器应使负荷开关可靠分闸,此时即
不能对负荷开关进行合闸操作,也不能使其保护在合闸位置。
图1 开关柜结构示意图

基础示意图
图2 开关柜安装基础示意图

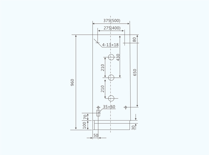
图3安装尺寸示意图

图4 电缆进出口线的布置参考图

订货须知
1.主接线方案编号及单线系统图、排列图及平面布置图。
2.开关柜体的外形尺寸。
3.备品、备件的选用。
4.面板开孔图。
一次方案图

上一篇:YNS 低压抽出式成套开关设备
下一篇:没有了!





















