产品概述
采用美国UL认可的NOMEX绝缘系统生产的非包封线圈三相干式电力变压器,具有安全、可靠、节能、防火、防爆、维护简单等优点。其设计先进、结构合理、外形美观。主要性能指标均优于国内标准,如局放水平、空载损耗、负载损耗、噪声以及能适应高湿度环境使用等,可安装在靠近湖、海、河边污秽潮湿的环境及防火要求高,负荷较大的地区,适用于高层建筑、机场、车站、码头、地铁、医院、电厂、冶金行业、购物中心、居民密集区以及石油化工、核电站、核潜艇等场所。
产品特点
1.精心设计的线圈结构及真空浸渍处理工艺使SG(B)10变压器局部放电低,并且在整个寿命期内,无任何龟裂现象,无绝缘水平下降现象。
2.高压采用连续式绕线组、低压泊绕,整体真空浸渍及固化处理并采用高强度陶瓷支撑,有很强的突发短路电流的承受能力。
3.难燃、阻燃、无毒、自熄、防火。
4.在高温明火燃烧下,SG(B)10变压器几乎无任何烟雾产生。
5.变压器为H级(180℃)绝缘。
6.绝缘层极薄且均匀,短时过负荷能力极强,无需强制冷却,可120%长期过负荷、140%过负荷3小时。由于这种绝缘材料不老化且有弹性,因此在±50℃条件下可立即加满载。
使用条件
1.环境温度:-50℃~+50℃
2.海拔高度:≤1000m
3.其他超出本技术条件规定的内容,由用户与技术部协商处理,并在订货时注明
产品型号及含义

主要技术参数
1.电压等级:高压(kV):3,6,6.3,6.6,10,10.5,11; 低压(kV):0.4,0.69:
2.高压分接范围:±5%或±2×2.5%:
3.联接组标号:Y,yn0或D,yn11,

外形尺寸图

注:此样本内所列外形尺寸、轨距尺寸仅供参考,若需精确尺寸可来函来电垂询。
外形尺寸表

SG(B)10型非包封线圈电力变压器标准排侧出线外形图

SG(B)10型非包封线圈电力变压器IP20外形图(HS1)

SG(B)10型非包封线圈电力变压器IP20外形图(HS2)

SG(B)10型非包封线圈电力变压器IP20外形图(HS3)

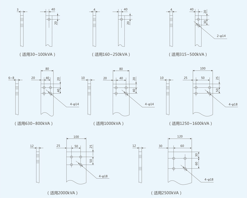
低压端子图

干式变压器订货须知

油浸式变压器订货须知
1.特种变压器
11一般根据用户要求,写出技术协议,内容包括额定容量、一次电压、调压方式及级数,联结组标号、阻抗电压、试验数据要求和其他特殊技术要求。
1.2随着我公司技术进步和生产发展,产品在更新换代。本目录中所列各种数据允许在生产中进行调整,不另行通知,用户如有特殊技术要求,订货时可具体商订,
2.电力变压器
2.1产品型号
2.2额定容量(kVA),三绕组变压器高、中、低压绕组容量比(%)
高压额定电压(kV),调压方式、级数及分接电压百分比(%)
中压额定电压(kV),调压方式、级数及分接电压百分比(%)
低压额定电压(kV)
阻抗电压(%)
联结组标号
冷却方式
特殊要求:如环境温度、海拔高度、相数、频率、有载分接开关、绝缘水平、是否带小车、带电流互感器等。




















