产品概述
YBM(P)系列预装式变电站是将高压电器设备,变压器、低压电器设备等组合成紧凑型成套配电装置,用于城市高层建筑、城乡建筑、居民小区、高新技术开发区、中小型工厂、矿山油田以及临时施工用电等场所,作配电系统中接受和分配电能之用。
YBM(P)系列预装式变电站具有成套性强、体积小、结构紧凑、运行安全可靠、维护方便、以及可移动等特点,与常规土建式变电站相比,同容量的箱式变电站占地面积通常仅为常规变电站的1/10~1/5,大大减少了设计工作量及施工量,减少了建设费用。在配电系统中,可用于环网配电系统,也可用于双电源或放射终端配电系统,是目前城乡变电站建设和改造的新型成套设备。
YBM(P)系列预装式变电站符合GB/T17467-1998《高压/低压预装式变电站》**标准。
型号含义

正常使用环境条件
1.周围空气温度上限<40C下限-10℃
2.阳光辐射≤1000W/m²
3.海拔≤1000m
4.覆冰≤20mm
5.风速≤35m/s
6,湿度日平均相对湿度<95%,月平均相对湿度<90%日平均相对水蒸气压力≤2.2kPa,月平均相对水蒸气压力≤1.8kPa
7.地震烈度≤8度
8.无火灾、爆炸危险、严重污秽、化学腐蚀及剧烈震动的场所
注:特殊使用条件,订货时提出与制造广协商解决
结构特点
1.本产品由高压配电装置、变压器及低压配电装置联接而成,分成三个功能隔室,即高压室、变压器室和低压室,高、低压室功能齐全,高压侧一次供电系统,可布置成环网供电、终端供电、双电源供电等多种供电方式,还可装设高压计量元件,满足高压计量的需求。变压器室可选择S9、SC以及其他系列低损耗油浸式变压器或干式变压器;低压室根据用户要求可采用面板或柜装式结构组成用户所需供电方案,有动力配电、照明配电、无功功率补偿、电能计量和电量测量等多种功能,满足用户的不同要求。并方便用户的供电管理和提高供电质量。
2.高压室结构紧凑合理,并具有全面防误操作联锁功能。变压器在用户有要求时,可设有轨道能方便地从变压器室两侧大门进出。各室均有自动照明装置,另外高、低压室所选用全部元件性能可靠、操作方便、使产品运行安全可靠、维护方便。
3.采用自然通风和强迫通风两种方式。变压器室和高、低压室均有通风道,排风扇有温控装置按整定温度能自动启动和关闭,保证变压器正常运行。
4.箱体结构能防止雨水和污物进入,材料选用彩色钢板制作,有防腐隔热功能。具备长期户外使用的条件,确保防腐、防水、防尘性能,使用寿命长,同时外形美观。
技术参数

平面布置形式及外形尺寸
YBM系列预装式变电站,根据排列方式分“目”字形排列(图1-1、图1-2);“品”字形排列(图1-3、图1-4)。外形尺寸见图2、图3.
图1YBM系列预装式变电站平面布置形式图

目字排列图

品字排列图

基础
1.地基耐力要求1000pa以上
2.基础设在地势较高处,四周向外排水,采用200#水泥沙浆砌筑,掺3%防水剂,底部向油槽略有倾斜(干变时取消油槽)
3.基础施工应符合JGJ1683《建筑电气设计技术规程》有关规定
4.接地干线及接地极的作法按常规做,接地电阻≤4欧姆
5.图中尺寸为推荐值
基础图

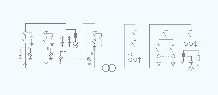
主线路接线方案
高压回路接线方案

低压回路接线方案

典型方案举例
终端低计

终端高计

环网低计

环网高计

订货时请提供以下资料:
1.预装式变电站型式:
2.变压器型号和容量:
3.高、低压回路主接线方案图:
4.有特殊要求的电气元件型号和参数:
5.外壳颜色:
6.备品、备件的名称、数量以及其他要求
下一篇:SCB10系列干式变压器




















